شارك الحلول المُحسَّنة والمعرفة المهنية بالصمامات وأخبار الصناعة

يرجى إدخال المصطلحات أو الكلمات الرئيسية ذات الصلة التي تحتاج إلى الرجوع إليها، وسوف تظهر المقالات ذات الصلة في نتائج البحث. إذا لم تتمكن من العثور على الإجابة التي تحتاجها، فلا تتردد في الاتصال بنا وسنكون سعداء بمساعدتك. أو يمكنك إرسال بريد إلكتروني مباشرة إلى [البريد الإلكتروني محمي]

كيفية عمل صمامات منع الارتفاع المفاجئ للضغط: منطق التحكم الهوائي، وأنماط الأعطال، واعتبارات التصميم الهندسي

جدول المحتويات

مقتطف من المقدمة

صمامات منع الارتداد ليست مجرد صمامات إعادة تدوير سريعة. في الخدمة الفعلية للضواغط، غالبًا ما يتعين عليها تعديل الضغط أثناء التشغيل العادي والتحرك بسرعة في حالات الاضطراب. تشرح هذه المقالة كيفية عمل مجموعة صمامات منع الارتداد الهوائية النموذجية، ومكان بدء المشاكل الميدانية عادةً، وما يجب على المهندسين التأكد منه قبل اختبار القبول في المصنع أو الموافقة النهائية.

خذ سريع

تُعدّ صمامات منع الارتداد معقدة لأنها تتطلب أداء وظيفتين في آن واحد: تنظيم الضغط أثناء التشغيل العادي، والتحرك بسرعة في حالات الاضطراب. عمليًا، لا تنشأ العديد من المشاكل الميدانية من جسم الصمام وحده، بل من حجم المشغل، والمنطق الهوائي، وتوافق الملحقات، وتعريف آلية التعطل. تشرح هذه المقالة ما يجب على المهندسين التحقق منه بدقة قبل الموافقة على مجموعة صمامات منع الارتداد.

نظام التحكم في زيادة التيار الكهربائي المتكامل مع التحكم في العملية

ما يغطيه هذا المقال

في هذه المقالة ، نغطي:

  • لماذا يختلف أداء صمام التحكم المضاد للارتفاع المفاجئ للتيار عن أداء صمام التحكم العادي؟
  • لماذا تُعد صمامات الفراشة عالية الأداء والمشغلات أحادية الفعل شائعة؟
  • كيف تؤثر سلسلة التحكم الهوائي على سلوك الصمام الحقيقي
  • لماذا تفشل الحزم التي تبدو صحيحة على الورق في الميدان؟
  • أكثر أنماط فشل صمامات منع الارتفاع المفاجئ شيوعًا
  • ما الذي يجب على المهندسين تأكيده قبل اختبار القبول النهائي أو الموافقة النهائية؟

1. لا تقتصر مشكلة مقاومة الارتفاع المفاجئ للضغط على مجرد تحديد حجم الصمام.

من أكثر الأخطاء شيوعاً في مشاريع منع ارتفاع الضغط المفاجئ هو التعامل مع الصمام كصمام تحكم عادي مع إضافة شرط الفتح السريع. وهذا عادةً ما يؤدي إلى مراجعة غير مكتملة.

يُعد صمام منع الارتفاع المفاجئ للضغط جزءًا من نظام حماية الضاغط. وهذا يُغير منطق التصميم من البداية.

يُقيّم صمام التحكم التعديلي العادي في الغالب بناءً على قابليته للتحكم، ونطاقه، وفئة إغلاقه، واستقراره على المدى الطويل. أما صمام الفصل، فيُقيّم في الغالب بناءً على قدرته على الانتقال إلى الوضع النهائي المطلوب في حالة حدوث عطل محدد. ويقع صمام منع الارتفاع المفاجئ عادةً بين هذين النوعين من الصمامات. فهو مُصمم للتنظيم أثناء التشغيل العادي، ولكنه مُصمم أيضًا للتصرف بشكل متوقع وسريع عندما يحتاج نظام الحماية إلى ذلك.

ولهذا السبب لا يستطيع المهندسون مراجعة قدرة مقاومة زيادة الضغط من خلال طرح سؤال واحد فقط مثل "هل Cv كافٍ؟" أو "هل يمكن للصمام أن يفتح في ثانيتين؟" هذه أسئلة مهمة، لكنها ليست كافية في حد ذاتها.

قد يكون للصمام معامل تدفق كافٍ ومع ذلك لا يؤدي أداءً جيدًا في خدمة مقاومة الارتفاع المفاجئ للتيار.
لا يضمن إجراء اختبار سريع في ورشة العمل نفس الاستجابة في الميدان.
حتى عندما يتم تعريف إجراء الفشل بشكل صحيح في ورقة البيانات، يمكن أن تفشل منطق الحماية الحقيقي إذا لم تتم مراجعة سلسلة التبديل الهوائي بشكل صحيح.

لا تمثل سعة التدفق سوى جزء واحد من عملية التقييم. ففي المشاريع الحقيقية، غالباً ما تحدد عوامل مثل آلية التعطل، وهامش المشغل، ومنطق التبديل الهوائي، وجودة الملحقات، وظروف التشغيل الميدانية، ما إذا كانت الحزمة ستؤدي أداءً جيداً أم ستسبب مشاكل لاحقاً.

نظام التحكم في زيادة التيار الكهربائي معزول عن التحكم في العملية

2. لماذا تُعد صمامات الفراشة عالية الأداء شائعة في خدمات منع ارتفاع الضغط المفاجئ؟

بالنسبة للعديد من خطوط إعادة التدوير الكبيرة، تُعد صمامات الفراشة عالية الأداء خيارًا عمليًا. والأسباب معروفة لدى معظم المهندسين.

أولاً، يمكنها توفير قدرة تدفق عالية بأحجام كبيرة دون أن تصبح ثقيلة أو معقدة للغاية. في تطبيقات مقاومة الارتفاع المفاجئ للتيار، لا تُعدّ قدرة إعادة التدوير مسألة ثانوية. فإذا فُتح الصمام ولكن لم يتمكن من تمرير كمية كافية من التدفق، فلن يكون الضاغط محميًا بشكل كامل.

ثانيًا، تُسهّل حركة ربع الدورة تصميم مجموعة سريعة. هذا لا يعني أن كل صمام فراشة مناسب تلقائيًا لمقاومة الارتفاع المفاجئ في الضغط، ولكنه يعني أن تصميمه غالبًا ما يكون مفضلًا عند الحاجة إلى حركة سريعة.

ثالثًا، غالبًا ما يتم إقران صمامات الفراشة عالية الأداء بالمشغلات الهوائية بطريقة تجعل إجراء الفشل المحدد أكثر وضوحًا.

مع ذلك، من المهم عدم تبسيط القرار بشكل مفرط. فليس كل صمام مناسبًا للخدمة المضادة للارتفاع المفاجئ في الضغط لمجرد كونه صمام فراشة. المهم هو ما إذا كان الحزمة بأكملها يناسب المهمة: جسم الصمام، والمشغل، والملحقات، والتصميم الهوائي، ومنطق التحكم، وظروف الميدان المتوقعة.

من الناحية العملية، لا ينبغي للمهندسين أن يسألوا فقط: "لماذا نستخدم صمام الفراشة؟"
والسؤال الأفضل هو: "لماذا تعتبر مجموعة صمامات الفراشة الكاملة هذه منطقية لمهمة حماية الضاغط هذه؟"

3. لماذا تُعدّ المشغلات الهوائية أحادية الفعل شائعة جدًا؟

تستخدم العديد من صمامات منع ارتفاع الضغط مشغلات هوائية أحادية الفعل.

في أنظمة الحماية، يسعى المهندسون إلى ضمان سلوك متوقع أثناء الظروف غير الطبيعية. ففي حال انقطاع إمداد الهواء، أو انقطاع التيار الكهربائي، أو إذا اضطرت الدائرة إلى التحول إلى وضع الحماية، يجب أن يتحرك الصمام في الاتجاه المطلوب وفقًا لآلية حماية الضاغط. ويُسهّل استخدام مشغل زنبركي الإرجاع تحديد ذلك والتحقق منه.

لهذا السبب، تكثر عبارات مثل "التشغيل عند التعطل" في نقاشات مكافحة ارتفاع التيار المفاجئ. لكن من المهم توخي الحذر هنا، فـ"التشغيل عند التعطل" ليس قاعدة عامة، وإنما صحيح فقط عندما يتوافق هذا الإجراء مع منطق الحماية الفعلي للنظام.

لا ينبغي للمهندسين أن يسألوا فقط عما إذا كان ينبغي أن تفشل صمامات منع الارتفاع المفاجئ في وضع الفتح؛ بل ينبغي عليهم أن يسألوا عن إجراءات الفشل المطلوبة لحماية هذا الضاغط وفقًا لفلسفة العملية المحددة.

في بعض المشاريع، تتفق الفرق مبكراً على نوع الصمام ونمط المشغل، لكن منطق الفشل الفعلي لا يكون متوافقاً تماماً بين مورد الضاغط، وفريق التحكم، وشركة التغليف، وشركة الهندسة والمشتريات والإنشاء، ومورد الصمام. وعندما يحدث ذلك، تظهر المشاكل عادةً في وقت متأخر، غالباً أثناء مراجعة نظام التعشيق أو الاختبار الوظيفي.

من THINKTANKمن وجهة نظر [اسم المستخدم]، لا ينبغي أبدًا مراجعة إجراء الفشل كمجرد تصنيف. بل يجب التحقق منه كسلسلة إجراءات كاملة:

  • ماذا يحدث عند انقطاع التيار الكهربائي؟
  • ماذا يحدث عند فقدان هواء الأجهزة؟
  • ماذا يحدث عندما يتغير وضع الملف اللولبي؟
  • ماذا يحدث عند تفعيل منطق الحماية من التفريغ الكهروستاتيكي؟
  • ما إذا كان المشغل ومنطق التبديل وحركة الصمام جميعها متوافقة مع متطلبات حماية الضاغط

إذا لم تتم مراجعة تلك السلسلة ككل، فإن الحزمة لا تخضع للمراجعة فعلياً.

يجب مراجعة إجراء الفشل كسلسلة حركة، وليس مجرد تسمية في ورقة البيانات: تأكد من كيفية تغيير الملف اللولبي لحالته، وكيف يستجيب المشغل، وما إذا كانت حركة الصمام تتوافق مع فلسفة حماية الضاغط.

4. غالبًا ما يحدد المنطق الهوائي ما إذا كانت الحزمة ستعمل بشكل جيد أم لا

يبدأ العديد من المهندسين بشكل طبيعي بجسم الصمام. وهذا أمر مفهوم. ولكن في خدمة منع ارتفاع الضغط المفاجئ، غالبًا ما يكون للدائرة الهوائية تأثير كبير على الأداء مثل الصمام نفسه.

قد تتضمن حزمة الحماية من ارتفاع الجهد عادةً منظمًا مزودًا بفلتر، وصمامًا لولبيًا، ومحددًا للموضع، ومضخة معززة أو جهاز تصريف سريع، ومفاتيح حدية، ونظام تغذية راجعة مستمرة للموضع، بالإضافة إلى وصلات وأنابيب متنوعة. نظريًا، قد تبدو هذه قائمة ملحقات روتينية. لكن عمليًا، تحدد هذه العناصر ما إذا كانت الحزمة تستجيب بسلاسة، وتتتبع إشارة التحكم بدقة، وتعمل بشكل صحيح في ظل إجراءات الحماية.

يُعدّ منظم الفلتر أكثر أهمية مما يبدو. فإذا كان هواء الجهاز غير مستقر، أو متسخًا، أو رطبًا، أو زيتيًا، فإنّ باقي مكونات الجهاز تبدأ من أساس ضعيف. وغالبًا ما تبدأ من هنا الاستجابة البطيئة، والحركة المتقطعة، وتذبذب الأداء، وعدم اتساق النتائج.

يُعدّ الصمام اللولبي نقطةً بالغة الأهمية. ففي العديد من أنظمة الحماية من ارتفاع التيار المفاجئ، يُعتبر أحد الأجهزة الرئيسية التي تُحدّد الانتقال بين وضع التعديل الطبيعي ووضع الحماية. إذا كان الصمام اللولبي يتحرك ببطء، أو علق، أو لم يكن متوافقًا بشكلٍ جيد مع الدائرة، فإنّ آلية الحماية من الأعطال تصبح أقل موثوقيةً مما هو موضح في الوثائق.

يُعدّ جهاز تحديد الموضع بالغ الأهمية لأن صمامات منع الارتداد ليست عادةً أجهزة خاملة تنتظر فقط التدخل في حالات الطوارئ، بل غالبًا ما تحتاج إلى تعديل وضعها أثناء التشغيل العادي. إذا كان إعداد جهاز تحديد الموضع غير دقيق، فقد يتحرك الصمام، لكنه قد لا يتتبع مساره بدقة، وقد ينحرف عند الفتحات الصغيرة، أو قد يستجيب بشكل غير متسق في ظل الظروف المتغيرة.

تُضاف معززات السرعة وأجهزة العادم السريع عادةً عندما تكون أهداف زمن الشوط ضيقة. يمكن لهذه الملحقات أن تُحدث فرقًا كبيرًا، ولكن يجب مراجعتها كجزء من النظام الكامل. معزز السرعة ليس حلاً سحريًا. قد يُحسّن السرعة، ولكن إذا كان المُشغّل صغير الحجم، أو كانت الأنابيب مُقيّدة، أو كان نظام التحكم الهوائي مُصمّمًا بشكل سيئ، فقد تكون النتيجة مُخيبة للآمال.

الجدول 1 - من أين تبدأ العديد من مشاكل مقاومة ارتفاع الجهد في الواقع

مكونوظيفة الرئيسيةمشكلة شائعة في الميدان
منظم مرشحيعمل على تثبيت وتنقية هواء الآلاتيتسبب الهواء الملوث أو غير المستقر في حركة بطيئة أو لزجة أو غير منتظمة
الملف اللولبي صماميُبدّل بين التحكم العادي والوضع الوقائيقد يؤدي الالتصاق أو الجهد غير الصحيح أو ضعف التبديل إلى تعطل وظيفة التشغيل الفاشلة
مناوريتحكم في حركة الصمام أثناء التعديلقد يتسبب الإعداد غير السليم في حدوث خطأ في التتبع، أو انحراف، أو استجابة غير مستقرة
معزز / عادم سريعيحسن سرعة الاستجابةيساعد على زيادة السرعة، لكنه لا يستطيع إصلاح ضعف حجم المحرك أو سوء تصميم الدائرة.
التغذية الراجعة المستمرة للموقعيُظهر الوضع الحقيقي للصمام عبر النطاقلا تُظهر مفاتيح النهاية وحدها سلوكًا تعديليًا حقيقيًا
الأنابيب والوصلاتقم بتوصيل سلسلة الحركة الهوائيةقد تؤدي الأنابيب الصغيرة أو المسارات الطويلة أو التصميم المقيد إلى إبطاء الحزمة بأكملها

غالبًا ما يُستهان بأهمية التغذية الراجعة المستمرة لوضع الصمام. ففي أنظمة منع ارتفاع الضغط المفاجئ، لا يكفي معرفة ما إذا كان الصمام قد وصل إلى وضع الفتح الكامل أو الإغلاق الكامل. يحتاج المهندسون عادةً إلى معرفة كيفية عمل الصمام عبر نطاق التشغيل. ولذلك، تُعدّ التغذية الراجعة المستمرة لوضع الصمام أكثر فائدة من مجرد مؤشر الفتح والإغلاق عند تقييم الأداء الفعلي لأنظمة منع ارتفاع الضغط المفاجئ.

5. لماذا تفشل العبوات التي تبدو صحيحة على الورق في الميدان؟

هذه إحدى أهم النقاط في هندسة مقاومة ارتفاع التيار المفاجئ.

قد تبدو حزمة برمجية مقبولة في ورقة البيانات، وتجتاز اختبارًا أساسيًا، ومع ذلك يكون أداؤها سيئًا بعد التثبيت. يحدث هذا أكثر مما تتوقعه العديد من الفرق.

أحد الأسباب الشائعة هو ذكر زمن الشوط دون مراعاة الظروف الواقعية. قد يبدو رقم مثل "أقل من ثانيتين" مثيرًا للإعجاب، ولكنه لا يعني الكثير ما لم يكن المهندسون على دراية بضغط إمداد الهواء، وحجم المشغل، وترتيب الأنابيب، وإعداد الملحقات، وموضع صمام البدء، وافتراضات الحمل الفعلية. إن رقمًا يُذكر في ورشة العمل دون سياق لا يُعادل الأداء الفعلي في الموقع.

سبب شائع آخر هو أن آلية الفشل تُعتمد في الصياغة فقط، وليس في منطق التنفيذ. لا يكفي كتابة "فتح عند الفشل" في ورقة البيانات. يجب على المهندسين التأكد من كيفية تغير حالة الملف اللولبي، وكيفية استجابة المشغل، وما إذا كان مسار الهواء المضغوط بأكمله يُنفذ الحركة المطلوبة فعلاً في حالة الفشل المعنية.

تتمثل المشكلة الثالثة في التعامل مع مجموعة الملحقات كإجراء روتيني بدلاً من اعتبارها بالغة الأهمية للأداء. قد ينجح هذا الأسلوب أحيانًا في عمليات شراء الصمامات العادية، ولكنه غالبًا ما يفشل في تطبيقات مقاومة الارتفاع المفاجئ للضغط. غالبًا ما يكمن الفرق بين مجموعة ملحقات مستقرة وأخرى غير موثوقة في اختيار الملحقات، وتصميم الأنابيب، وهامش التشغيل، وليس في جسم الصمام وحده.

تتمثل المشكلة الرابعة في عدم إيلاء الاهتمام الكافي لعوامل الاهتزاز وظروف الموقع وسهولة الوصول للصيانة. قد تعمل الوحدة بكفاءة عالية في بيئة ورشة عمل مضبوطة، لكنها تتصرف بشكل مختلف تمامًا عند تركيبها على خط إنتاج حقيقي في ظل وجود اهتزازات، ومحدودية الوصول، وظروف هواء غير مستقرة، وتآكل ناتج عن التشغيل على المدى الطويل.

لهذا السبب، ينبغي مراجعة خدمة مكافحة زيادة الطلب عمليًا كـ مشاكل سلوك الحزمة، ليس فقط كمشكلة اختيار المكونات.

قد تجتاز حزمة ما اختبارًا أساسيًا في المتجر، ومع ذلك يظل أداؤها سيئًا بعد التثبيت.
غالباً ما يتغير وقت الشوط، وحالة الفشل، واستقرار التحكم عند إضافة تخطيط الأنابيب الحقيقي، والاهتزاز، وجودة الهواء، وتقييد الملحقات، والتآكل الميداني إلى الصورة.

في الواقع العملي، لا تنتج العديد من هذه المشكلات عن الصمام نفسه، ولكن عن اختلاف ظروف الاختبار عن ظروف التشغيل الحقيقية.

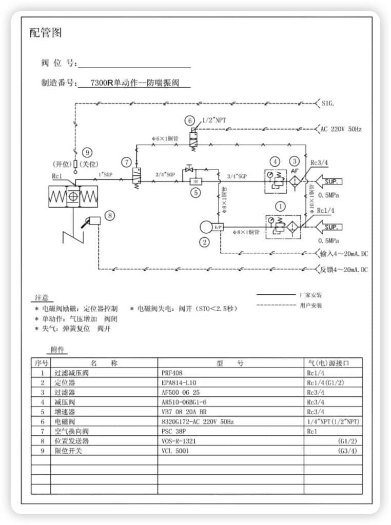
6. دراسة حالة: تأخير الفتح في مجموعة صمامات مضادة للارتفاع المفاجئ

خلفية المشروع

في نظام إعادة تدوير الضاغط، تم تركيب صمام مضاد للارتفاع المفاجئ يعمل بنابض هوائي لتوفير كل من التعديل والحماية من الارتفاع المفاجئ.

صُمم الصمام ليفتح بسرعة أثناء أحداث الارتفاع المفاجئ في الضغط مع الحفاظ على تحكم مستقر أثناء التشغيل العادي.

ومع ذلك، خلال الاختبارات والتشغيل المبكر، لم تكن استجابة الصمام على مستوى التوقعات.

نظام أنابيب التحكم الهوائي لصمامات منع الارتفاع المفاجئ أحادية الفعل

المشكلة الملاحظة

كانت المشكلة الرئيسية هي تأخير الافتتاح أثناء الإجراءات المتعلقة بزيادة الطلب.

لم يتحرك الصمام بالسرعة المطلوبة عند تشغيل إشارة الحماية.
لوحظ وجود تأخير ملحوظ بين إشارة الأمر وحركة الصمام الفعلية.

في ظل التعديل العادي، كان الصمام لا يزال بإمكانه العمل، لكن الاستجابة الديناميكية لم تكن موثوقة بما يكفي للحماية من زيادة الضغط المفاجئة.

سلسلة إمداد الهواء

تحليل السبب الجذري

لم تكن المشكلة متعلقة بجسم الصمام نفسه، بل بسلسلة العمل الهوائي.

حددت المراجعة الميدانية ثلاثة أسباب عملية:

  • تأخير التبديل عند صمام الملف اللولبي
  • مسار هواء مقيد بسبب تصميم الأنابيب وترتيب الملحقات
  • هامش استجابة ديناميكية غير كافٍ في الدائرة الهوائية الكلية

ونتيجة لذلك، على الرغم من أن فلسفة الفتح التلقائي كانت صحيحة، إلا أن سرعة الفتح الفعلية في الخدمة لم تتطابق تمامًا مع متطلبات الحماية.

رقماسم مكونالموديلوظيفة أساسية
1منظم مرشحPRF408،XNUMXيقوم بتصفية شوائب الهواء وتثبيت الضغط، مما يوفر إمدادًا نظيفًا ومستقرًا للهواء للنظام
2مناورEPA814-110يستقبل إشارة تحكم تيار مستمر من 4 إلى 20 مللي أمبير ويخرج ضغط هواء مناسب لتشغيل الصمام، مما يتيح التحكم الدقيق في الموضع
3منظم مرشحAF500-06-25الترشيح الثانوي وخفض الضغط لضمان جودة الهواء للمكونات اللاحقة
4منظم الضغطAR510-06BG1-6يعمل على زيادة استقرار ضغط الهواء، مما يوفر الضغط المناسب للصمامات اللولبية، والمعززات، وما إلى ذلك.
5حجم الداعمVB7-08-20A-BRيزيد من معدل تدفق الهواء، مما يقلل وقت تشغيل الصمام إلى 2.5 ثانية أو أقل
6الملف اللولبي صمام8320G172-AC 220V 50Hzيعمل كمفتاح تشغيل/إيقاف لدائرة الهواء: عند التنشيط ← مسار الهواء مفتوح (التحكم في الموضع)؛ عند عدم التنشيط ← مسار الهواء مغلق (إعادة ضبط الصمام)
7صمام توجيه الهواءPSC-38Pيُغيّر اتجاه تدفق الهواء؛ ويعمل مع مُشغّل أحادي الفعل لتحقيق المنطق التالي: زيادة ضغط الهواء ↑ ← إغلاق الصمام، انخفاض ضغط الهواء ← فتح الصمام
8موقف الارسالVOS-R-3321يكشف عن موضع الصمام الفعلي ويخرج إشارة تغذية راجعة بتيار مستمر 4-20 مللي أمبير للتحكم في الحلقة المغلقة
9جهاز محددVCL-5001يوفر معلومات عن وضعيات حد "الفتح" و"الإغلاق" للصمام (إشارة التلامس الجاف)

التحسين الهندسي

تمت مراجعة النظام كسلسلة عمل هوائية كاملة بدلاً من كونه صمامًا واحدًا.

وتضمنت الإجراءات الرئيسية ما يلي:

  • تبسيط الدائرة الهوائية
  • تقليل تقييد مسار الهواء
  • تحسين استقرار إمدادات الهواء
  • تحسين ترتيب الملحقات لتحقيق استجابة أسرع

نتيجة

بعد التحسين:

  • تم تقليل زمن فتح الصمام إلى أقل من ثانيتين
  • أصبحت الاستجابة متسقة وقابلة للتكرار
  • تم تحسين أداء الحماية من زيادة التيار

الدرس الرئيسي

  • لم يكن القيد في الصمام نفسه.
  • كان ذلك في سلسلة العمل الهوائي وكيفية تطبيقها في الميدان.
محاكاة عملية نظام التحكم في زيادة التيار

7. أنماط الأعطال الأكثر شيوعًا التي يجب أن يتوقعها المهندسون

عندما تتعطل مجموعات صمامات منع ارتفاع الضغط، تكون الأعراض عادةً مألوفة.

من أكثر المشاكل شيوعًا بطء الاستجابة. في الميدان، غالبًا ما يكون السبب ليس جسم الصمام نفسه، بل عدم استقرار هواء الأجهزة، أو انسداد المرشحات، أو تعطل الملفات اللولبية، أو ضعف أداء مضخة التعزيز، أو التسريب، أو تآكل موانع التسرب، أو تصميم الأنابيب المقيد. في كثير من الحالات، تكون دائرة الهواء المضغوط بأكملها أبطأ من المتوقع، وليس الصمام فقط.

من المشاكل الشائعة الأخرى عدم تطابق الوضع المطلوب مع الوضع الفعلي للصمام. قد يلاحظ المهندسون أن نظام التحكم يرسل الإشارة الصحيحة، لكن الصمام لا يتحرك بشكل صحيح أو يُظهر سلوكًا غير مستقر. في هذه الحالات، قد تشمل الأسباب ضبط جهاز تحديد الموضع، أو ارتخاء الوصلات، أو الخلوص، أو تأثيرات الاهتزاز، أو عدم دقة التغذية الراجعة، أو الاحتكاك المفرط، خاصةً عند الفتحات المنخفضة.

يُعدّ الالتصاق المتقطع مشكلة خطيرة أخرى. تكمن خطورتها في أنها قد لا تظهر أثناء التشغيل الروتيني، بل غالبًا ما تظهر أثناء الاختبارات الوظيفية أو في ظروف التشغيل غير الاعتيادية، أي عندما تكون الحركة السلسة في غاية الأهمية. تشمل الأسباب المحتملة تآكل مانع تسرب المشغل، وعدم كفاية التشحيم، وزيادة احتكاك الحشوة، وفترات الخمول الطويلة، أو تسرب الهواء الخفي الذي يقلل من القوة المتاحة أثناء الحركة الحرجة.

تتمثل إحدى المشكلات الأخرى في الثقة الزائفة الناتجة عن بيانات وضعية النهاية. ففي بعض الأحيان، يرى المهندسون إشارات فتح وإغلاق سليمة، فيفترضون أن الصمام يعمل بشكل صحيح. لكن تأكيد وضعية النهاية لا يثبت أن الصمام يعمل بشكل صحيح ضمن نطاق التحكم. ولذلك، فإن مراجعة الوضعية المستمرة ومراقبة الحركة الفعلية أكثر أهمية بكثير من مجرد الاعتماد على حالة مفتاح النهاية.

الجدول 2 - نمط الفشل الشائع مقابل السبب المحتمل

أعراض الحقلسبب محتمل
فتح أو إغلاق بطيءهواء ملوث، منظم فلتر مسدود، صمام لولبي عالق، معزز ضعيف، تسريب، أختام مشغل قديمة
الموقع المُحدد لا يتطابق مع الموقع الفعليمشكلة في إعداد جهاز تحديد المواقع، وصلة غير محكمة، خطأ في التغذية الراجعة، اهتزاز، احتكاك
التصاق متقطعتآكل الأختام، وضعف التشحيم، وزيادة احتكاك الحشوات، وفترات التوقف الطويلة، والتسرب الخفي
إشارة جيدة لوضع النهاية ولكن سلوك التحكم الحقيقي ضعيفلا تُظهر مفاتيح الحد إلا حالة النهاية، وليس أداء التعديل الحقيقي.
أداء جيد على مقاعد البدلاء، لكن استجابة ضعيفة في الملعب.تقييد الأنابيب، وتكييف الهواء في الموقع، والاهتزاز، وعدم تطابق الملحقات، وعدم كفاية هامش المشغل

8. ما الذي يجب على المهندسين تأكيده قبل اختبار القبول النهائي أو الموافقة النهائية؟

الجدول 3 - ما يجب التأكد منه قبل الموافقة

نقطة مراجعةلماذا يهم
سعة إعادة التدوير المطلوبةقد لا تعكس القيمة المرجعية وحدها القدرة الفعلية على الحماية
إجراء الفشل كدالةيجب أن تتوافق سلسلة العمل الهوائية والكهربائية الكاملة مع فلسفة الحماية
زمن الضربة في ظل ظروف محددةإن الرقم بدون شروط اختبار يُعد دليلاً هندسياً ضعيفاً.
هامش المشغليمنع فقدان الأداء عند زيادة الاحتكاك والتآكل والتغيرات الميدانية
حزمة الملحقاتيؤثر بشكل كبير على السلوك الديناميكي والموثوقية وأداء الفشل
ترتيب التغذية الراجعةلا تكفي مفاتيح النهاية وحدها في كثير من الأحيان لتوفير الحماية من زيادة التيار.
ظروف الموقعتؤثر الاهتزازات وجودة الهواء وسهولة الوصول والصيانة على السلوك طويل الأمد

هنا يمكن للعديد من المشاريع توفير الوقت والنقاشات وإعادة العمل.

قبل الموافقة على مجموعة صمامات منع ارتفاع الضغط المفاجئ، ينبغي على المهندسين التأكد من أكثر من مجرد أساسيات الصمامات المعتادة. على الأقل، تستحق النقاط التالية مراجعة مباشرة:

1. قدرة إعادة التدوير في ظل ظروف واقعية

ليس فقط قيمة Cv الاسمية، ولكن ما إذا كانت العبوة قادرة بالفعل على توفير وظيفة إعادة التدوير المطلوبة في ظل نطاق التشغيل المتوقع.

2. فشل الإجراء كوظيفة تم التحقق منها

ليس فقط وضع الفشل المكتوب، ولكن كيف ينتج المنطق الهوائي والكهربائي تلك الحركة فعليًا.

3. ادعاء زمن السكتة الدماغية في ظل ظروف اختبار محددة

ينبغي ربط الرقم بضغط الإمداد، وترتيب الملحقات، وظروف الأنابيب، وتكوين المشغل، وموضع البداية.

4. هامش المشغل

ينبغي أن يكون هناك هامش كافٍ للتغلب على الاحتكاك والتآكل وتغيرات العملية ومقاومة المجال الواقعية بمرور الوقت.

5. مدى ملاءمة حزمة الملحقات

ينبغي أن تتطابق جميع مكونات جهاز تحديد الموضع، والملف اللولبي، والمعزز، وأجهزة التغذية الراجعة، وتجهيز الهواء مع المهمة الفعلية بدلاً من اعتبارها ملحقات افتراضية.

6. الجوانب العملية المتعلقة بالموقع

ينبغي مراجعة الاهتزازات وجودة الهواء وترتيب التركيب وسهولة الوصول والصيانة طويلة الأجل قبل إصدار العبوة.

من واقع الخبرة، فإن هذه الفحوصات هي التي تجعل العديد من حزم الحماية من ارتفاع التيار إما موثوقة أو تبدأ في الانزلاق إلى مشاكل لاحقة في المشروع.

9. كيف THINKTANK مراجعات صمام منع ارتفاع التيار

بالنسبة لهذا النوع من الخدمات، THINKTANK لا نقوم بتقييم المجموعة كمجرد جسم صمام مزود بمشغل، بل نقوم بتقييمها كحزمة عمل متكاملة.

THINKTANK عادةً ما تبدأ بهذه الأسئلة:

  • ما هي رسوم إعادة التدوير المطلوبة فعلاً؟
  • ما مقدار التعديل الطبيعي المتوقع؟
  • ما هو الإجراء المطلوب في حالة الفشل وفقًا لفلسفة حماية الضاغط؟
  • ما هو وقت الاستجابة المطلوب، وتحت أي ظروف؟
  • ما هو تكييف الهواء الفعلي للأجهزة؟
  • ما هي حزمة الملحقات المطلوبة لدعم كل من التحكم والحماية؟

يُعدّ هذا النهج بالغ الأهمية لأنّ مقاومة التيار الزائد تكمن فيها العديد من أوجه عدم التوافق التقني. قد تبدو الحزمة مناسبة عند مراجعة الحجم والتصنيف فقط، ولكن عند النظر في زمن الاستجابة، وإجراءات التعطل، ومنطق التبديل الهوائي، وتوافق الملحقات، وظروف التشغيل، تتضح نقاط القوة والضعف الحقيقية.

هذا هو السبب أيضا THINKTANK يفضل مناقشة ليس فقط نوع الصمام وفئة الضغط، بل سلسلة الحركة بأكملها. بالنسبة لخدمة مقاومة التذبذب، عادةً ما يعطي ذلك نتيجة أكثر موثوقية من التعامل مع المجموعة كحزمة صمامات عادية.

قائمة مراجعة المهندس لصمام منع ارتفاع الضغط

قبل الموافقة على مجموعة صمامات منع ارتفاع الضغط، تأكد مما يلي:

خاتمة

تُعد خدمة صمام منع الارتفاع المفاجئ صعبة لسبب رئيسي واحد: وهو أن الصمام يجب أن يقوم بمهمتين في وقت واحد.

يجب أن ينظم النظام الضغط أثناء التشغيل العادي، وأن يحمي الضاغط في حالات الاضطراب. لذا، لا يمكن أن يقتصر تقييم مقاومة الارتداد على حجم الصمام أو معامل التدفق (Cv) أو حتى مؤشرات الأعطال الأساسية. بل يجب مراعاة جميع مكونات النظام: جسم الصمام، والمشغل، والملحقات، والمنطق الهوائي، والتغذية الراجعة، وظروف التشغيل، وفلسفة الحماية.

في العمل الهندسي الحقيقي، عادةً ما تكون الأسئلة الأكثر فائدة ليست "هل يمكن لهذا الصمام أن يتحرك؟" بل:

  • هل تم التحقق فعلاً من إجراء الفشل كدالة؟
  • في ظل أي ظروف تم قياس زمن الضربة؟
  • هل تتناسب حزمة الملحقات مع المهمة الفعلية؟
  • هل توجد أي نقاط ضعف في الدائرة الهوائية؟
  • هل تمت مراجعة الحزمة كجزء من حماية الضاغط، وليس فقط كجزء من عملية شراء الصمامات؟

بمجرد الإجابة على هذه الأسئلة بشكل صحيح، يصبح تصميم صمام منع ارتفاع الضغط أكثر متانة. وعادةً ما تكون هذه هي النقطة التي يتوقف عندها نظام الصمامات عن كونه مجرد قطعة مادية ويبدأ في التحول إلى حل حماية موثوق.

الأسئلة الشائعة

ما هو صمام منع ارتفاع ضغط الماء؟

صمام منع الارتفاع المفاجئ هو صمام تحكم يُستخدم في أنظمة حماية الضواغط لتنظيم أو زيادة تدفق إعادة التدوير عندما يقترب الضاغط من منطقة الارتفاع المفاجئ. في العديد من الأنظمة، يقوم هذا الصمام أيضًا بتعديل التدفق أثناء التشغيل العادي كجزء من حلقة التحكم في منع الارتفاع المفاجئ. لذلك، يجب تقييمه كعنصر تحكم وعنصر حماية في آن واحد.

لماذا يتم غالبًا تصميم صمامات منع الارتفاع المفاجئ بحيث تفشل في وضع الفتح؟

غالبًا ما تُهيأ هذه الأنظمة بهذه الطريقة لأن منطق حماية الضاغط قد يتطلب تدفقًا سريعًا لإعادة التدوير أثناء الظروف غير الطبيعية مثل انقطاع الهواء أو انقطاع التيار الكهربائي أو حالات الفصل. مع ذلك، لا ينبغي أبدًا افتراض "فتح الدائرة عند التعطل" دون مراجعة. يجب أن يتبع إجراء التعطل الصحيح فلسفة الحماية الفعلية لنظام الضاغط.

لماذا تُستخدم صمامات الفراشة عالية الأداء بشكل شائع في خدمات مقاومة الارتفاع المفاجئ للضغط؟

تُستخدم هذه الصمامات على نطاق واسع لقدرتها على توفير تدفق عالٍ، وبنية مدمجة نسبيًا، وحركة ربع دورة سريعة، لا سيما في خطوط إعادة التدوير الكبيرة. ولكن لا ينبغي أبدًا أن يعتمد اختيار نوع الصمام على بنيته فقط، بل يجب فحص جميع مكوناته من حيث سلوك التحكم، وردود الفعل عند الأعطال، وزمن الاستجابة، والموثوقية الميدانية.

لماذا يمكن لمجموعة صمامات أن تحقق معامل السعة (Cv) ومع ذلك يكون أداؤها ضعيفًا في مقاومة الارتفاع المفاجئ للتيار؟

لأن معامل السعة (Cv) لا يُعنى إلا بسعة التدفق. أما خدمة مقاومة الارتفاع المفاجئ في الضغط فتعتمد أيضاً على إجراءات التعطل، وهامش المشغل، وتصميم الدائرة الهوائية، وجودة مجموعة الملحقات، ونظام التغذية الراجعة، والاستجابة الواقعية في ظروف الموقع. حتى مجموعة ذات معامل سعة كافٍ قد لا تُؤدي وظيفتها بكفاءة إذا كانت سلسلة الحركة ضعيفة.

ما الذي يتسبب عادةً في فشل مجموعات صمامات منع الارتفاع المفاجئ في اختبار التعشيق؟

تشمل الأسباب الشائعة منطق التبديل الهوائي غير الصحيح، وبطء أو تعطل عمل الملف اللولبي، وعدم كفاية هامش المشغل، وافتراضات غير واقعية لوقت الشوط، وتصميم الأنابيب المقيد، وسوء جودة هواء الجهاز، وعدم التوافق الكامل بين إجراء الفشل في ورقة البيانات وسلوك الدائرة الفعلي.

لماذا تعتبر مجموعة الملحقات الهوائية مهمة للغاية؟

لأن الملحقات تحدد إلى حد كبير كيفية عمل الصمام في الخدمة الفعلية. يؤثر الملف اللولبي على منطق تبديل الحماية. يؤثر جهاز تحديد الموضع على التتبع واستقرار التحكم. يؤثر منظم الفلتر على جودة الهواء واستقرار الضغط. تؤثر المعززات وأجهزة العادم السريع على زمن الاستجابة. تؤثر التغذية الراجعة المستمرة للموضع على مدى دقة نظام التحكم في تحديد موضع الصمام الحقيقي.

لماذا تستخدم العديد من صمامات منع الارتفاع المفاجئ للضغط مشغلات هوائية أحادية الفعل؟

تُستخدم المشغلات أحادية الفعل على نطاق واسع لأنها تُسهّل تحديد حركة الأمان والتحقق منها. ففي حالة فقدان الهواء أو ظروف التبديل الوقائية، يُمكن للنابض تحريك الصمام نحو الوضع الآمن المطلوب. وهذا مفيدٌ بشكل خاص في خدمات حماية الضواغط، حيث يُعدّ سلوك الحالة غير الطبيعية المتوقع بنفس أهمية أداء التحكم الطبيعي.

ما الذي يجب على المهندسين التأكد منه قبل قبول ادعاءات زمن ضربة السكتة الدماغية؟

ينبغي عليهم تأكيد شروط الاختبار التي يستند إليها الرقم: ضغط الإمداد، وحجم المشغل، وترتيب الأنابيب، والملحقات المُركّبة، وموضع صمام البدء، والحمل المفترض. غالبًا ما يكون الادعاء بزمن الشوط دون شروط اختبار محددة أقل فائدة مما يبدو عليه.

ما الذي يجب على المهندسين مراجعته قبل اختبار القبول النهائي أو الموافقة النهائية على مجموعة صمامات منع الارتفاع المفاجئ للتيار؟

ينبغي عليهم مراجعة قدرة إعادة التدوير، وإجراء الفشل كوظيفة فعلية، ووقت الشوط في ظل ظروف محددة، وهامش المشغل، وملاءمة الملحقات، وترتيب التغذية الراجعة، والتصميم الهوائي، والعوامل المتعلقة بالموقع مثل الاهتزاز وجودة الهواء وإمكانية الوصول للصيانة.

ما هو أحد أكثر الأخطاء شيوعاً في اختيار صمام منع ارتفاع الضغط؟

من أكثر الأخطاء شيوعًا التعامل مع مقاومة التذبذب كعملية لتحديد حجم الصمام فقط. في الواقع، هي مشكلة تتعلق بأداء النظام ككل. عادةً ما يحصل المهندسون على نتائج أفضل بكثير عند مراجعة جسم الصمام، والمشغل، والملحقات، والمنطق الهوائي، وفلسفة حماية الضاغط معًا.

الخلاصه

لا ينبغي النظر إلى خدمة صمام منع الارتداد على أنها مجرد مشكلة تتعلق باختيار جسم الصمام. في مشاريع الضواغط الحقيقية، يتحقق الأداء الموثوق من خلال المجموعة الكاملة: جسم الصمام، والمشغل، والمنطق الهوائي، وتوافق الملحقات، والتحقق من أداء الصمام في حالة الأعطال. وهنا تكمن أهمية العديد من المجموعات، فإما أن تصبح موثوقة أو تبدأ في إحداث مشاكل لاحقًا.

احدث المقالات

فيسبوك
تويتر
لينكد إن
بينترست
الطباعة
صورة ويل دون

ويل دون

بعد حصولي على درجة البكالوريوس في الهندسة الميكانيكية من جامعة Zhejiang Normal في عام 2008، كنت محظوظًا بما فيه الكفاية لبدء مسيرتي المهنية مع Siemens، Fisher، وYTC، مع التركيز على ملحقات صمام التحكم. على مدار الاثنتي عشرة سنة الماضية، بذلت قصارى جهدي وطاقتي في فهم التكنولوجيا وحلول السوائل لصمامات التحكم.
الآن، بصفتي مدير التسويق لـ THINKTANKبصفتي فرعًا موثوقًا به من مجموعة صمامات ستون التايوانية، لا يسعني إلا أن أشعر بالفخر بالمدى الذي وصلنا إليه.
إن معرفتنا لا تصل فقط إلى المهنيين مثل المهندسين وموزعي الصمامات؛ بل إنها تلهم أيضًا الجيل القادم من طلاب كليات الأتمتة.
أتمنى حقًا أن تستمتعوا بمقالاتنا وتجدوها مفيدة. أفكاركم وأسئلتكم وملاحظاتكم تعني لي الكثير، لذا لا تترددوا في التواصل معنا. [البريد الإلكتروني محمي]سواء كنت خبيرًا متمرسًا أو مجرد فضولي بشأن هذا المجال، فأنا هنا للتواصل والمشاركة والتعلم معًا.

كل المشاركات »

أنا مؤلف هذه المقالة، وأنا أيضًا الرئيس التنفيذي ومدير التسويق لشركة THINKTANKبخبرة ١٥ عامًا في صناعة الصمامات الصناعية. لأي استفسار، تواصل معي في أي وقت.

تواصل معنا

ما عليك سوى ملء اسمك وعنوان بريدك الإلكتروني ووصفًا موجزًا ​​لاستفسارك في هذا النموذج. سوف نتصل بك خلال 24 ساعة.

تواصل معنا

مع خبرة في الصمامات وخبرة غنية في صناعة النفط والغاز والصناعة الكيميائية ومصانع النسيج ومحطات الطاقة ومصانع السكر. THINKTANK أصبحت الشركة الرائدة في تصنيع صمامات التحكم الدقيقة من الجيل التالي.

مع قاعدة عملاء تضم أكثر من 42 من شركات الهندسة والمقاولات الرائدة عالميًا والعلامات التجارية الدولية للصمامات، THINKTANK تقدم شركة Valves صمامات فعالة من حيث التكلفة تساعد عملاءنا على تحقيق التحكم الآلي في العملية دون دفع أسعار عالية.

لماذا يختار المزيد والمزيد من العلامات التجارية العالمية للصمامات؟ THINKTANK لخدمة OEM؟

العلامة التجارية هي السمعة، والتي لا تتطلب تكنولوجيا صمامات عالية فحسب، بل تتطلب أيضًا دعمًا تجاريًا رائعًا وخدمة ما بعد البيع سريعة الاستجابة ووقت التسليم. لن يقامروا بعلامتهم التجارية على منتج غير معروف

احصل على عرض أسعار فوري

تجنب استفسارك هو تأخير الاستجابة، يرجى إدخال الخاص بك واتساب/ويشات/سكايب مع الرسالة، حتى نتمكن من الاتصال بك في المرة الأولى.

سنرد عليك خلال ٢٤ ساعة. في حال وجود حالة طارئة، يُرجى التواصل عبر واتساب: +٨٦ ١٨٥ ١٦٥٦ ٩٢٢١، أو وي تشات: +٨٦ ١٩٩ ٢١٢٥ ٠٠٧٧، أو الاتصال مباشرةً على +٨٦ ١٨٩ ٥٨١٣ ٨٢٨٩. 

احصل على اقتباس فوري

معاينة الفرح

احصل على اقتباس فوري

سوف نقوم بالرد عليك خلال 24 ساعة. إذا كانت الحالة عاجلة، يرجى إضافة WhatsApp: +86 199 2125 0077، أو WeChat: +86 199 2125 0077. أو اتصل بـ +86 189 5813 8289 مباشرة. 

مباشرة إلى مصنع صمام التحكم بأسعار تنافسية وجودة موثوقة

معاينة الفرح
معاينة الفرح

احصل على اقتباس فوري

ما عليك سوى ترك اسمك والبريد الإلكتروني ورسالة أو متطلبات بسيطة ، وسوف نتصل بك في غضون ساعة واحدة.

واتساب: +86 199 2125 0077

معرف سكايب: sowell85

معرف Wechat: +86 199 2125 0077